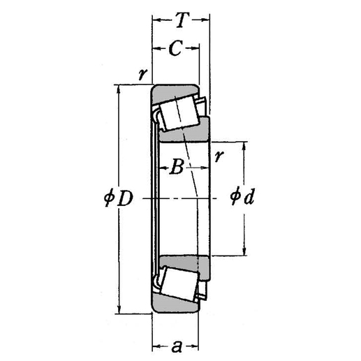
32308 J
40
90
33
27
35.25
2.5
0.8
10500
9650
4300
6000
1.04
部分非標準型號或暫無庫存的軸承,可能無法即時提供。如有特殊需求,歡迎與我們聯繫,我們將盡力協助確認交期與替代方案。
2026 台灣國定假期如下,將於工作日立即回覆,感謝您的等待。 1/1, 2/16-2/20, 2/27, 4/3, 4/6, 5/1, 6/19